產品簡介
DZC垂直振動提升機是一種新型的垂直振動輸送設備,在向上提升物料的同時,還可以完成對物料的干燥和冷卻。分開槽式、封閉式兩種結構,并可根據不同的工藝要求,設計物料顆粒分級作用的篩選提升機及設計易燃易爆物料的提升機。
適用行業
適用于化工、橡膠、塑料、醫藥、輕工、食品、冶金、建材、礦山、糧食等行業。
適用物料
粘度不大的顆粒狀、塊狀、粉狀的固體物料和短纖維狀固體物料
產品結構
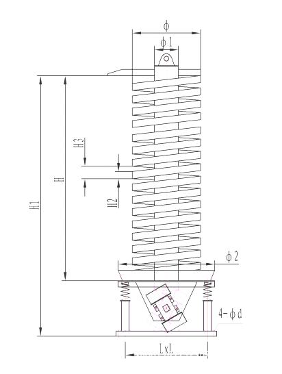
主要由提升槽、振動電機、減振系統和底座等組成。
DZC垂直振動提升機結構簡圖

工作原理
當垂直提升機工作時,根據雙振動電機自同步原理,由振動電機產生激振力,強迫整個輸送塔體作水平圓運動和向上垂直運動的空間復合振動,螺旋槽內的物料則受輸送槽的作用,作勻速拋擲圓運動,沿輸送槽體向上運動,從而完成物料的向上(或向下)輸送作業。
產品特點
1、整機體積小,重量輕,密閉性能好,低粉塵、效率高;
2、占地面積小,節能、環保;
3、輸送產量大,針對片裝、顆粒物料有較強的自適應性;
4、操作簡單、檢修方便;
5、符合GMP標準要求,清理方便;不對物料造成二次污染。
型號說明






客服1